Actions
完成 #141
openrk3588 普通串口与pc 通讯失败
Start date:
10/26/2022
Due date:
% Done:
0%
Estimated time:
Description
板型:rd-rk3588
系统:buildroot
问题:串口调试问题,rk3588与windows主机通过usb转串口相连,板子发送12345,windows上的接收工具收到的全是乱码,
用接收工具发送数据,板子接收数据也是一样的出现乱码,波特率,数据位一致;
另短接板子上的TX和RX,自发自收接收则是正常的
接的串口是uart7 和 uart8

Files
Actions
#1
Updated by 余 顺 about 3 years ago
- File clipboard-202210261552-rzk1s.png clipboard-202210261552-rzk1s.png added
- File clipboard-202210261554-dujw7.png clipboard-202210261554-dujw7.png added
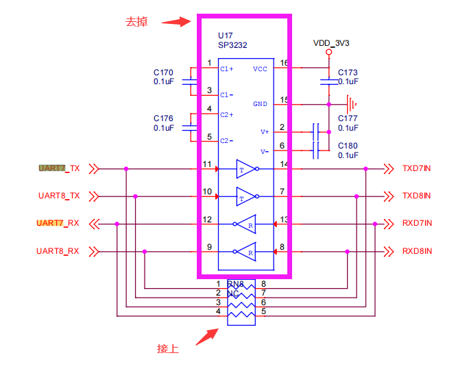
uart7 和 uart8 默认是232 电平,
需要使用ttl 电平的话,如下修改硬件即可

Updated by 余 顺 about 3 years ago
- Tracker changed from 新建 to 完成
- Status changed from 新建 to 完成
Actions